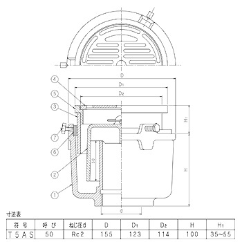
IGS°ËƣŴ¹©¡¡T5AS50¡¡¾²ÇÓ¿å¥È¥é¥Ã¥×
| ¾¦ÉÊ¥³¡¼¥É : DETR051201 |
´õ˾¾®Çä²Á³Ê(ÀÇÊÌ) : 16,700±ß |
| ²Á³Ê : 3,630±ß¡ÊÀǹþ¡Ë |
| ¥Ý¥¤¥ó¥È : 1 |
 |
36pt |
GMO¥Ý¥¤¥ó¥È¤Ï ¥·¥ç¥Ã¥Ô¥ó¥°¥â¡¼¥ë¤ä¥µ¡¼¥Ó¥¹¤Î³Àº¬¤Ê¤¯ ¿¤¯¤Î¥Í¥Ã¥È¥·¥ç¥Ã¥×¤äÊ£¿ô¤Î¥µ¡¼¥Ó¥¹¤Ç ÍøÍѤ¹¤ë»ö¤¬¤Ç¤¤ë¶¦Ḁ̈ݥ¤¥ó¥È¤Ç¤¹¡£
|
|
|
¡Ú¤ªÌ䤤¹ç¤ï¤»¡Û
03-5318-9702 Ê¿⽇8:30-17:30
¥á¡¼¥ë¤ÇÌ䤤¹ç¤ï¤»¤ë